Lokale opslag lijkt te zijn uitgeschakeld in uw browser.
Voor de beste gebruikservaring, moet u lokale opslag inschakelen in uw browser.
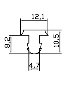
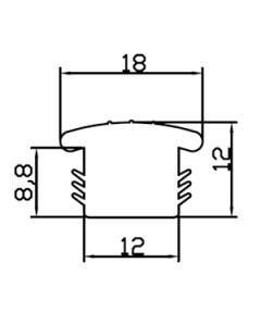
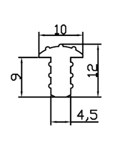
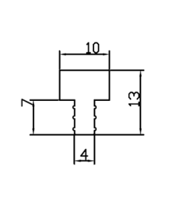
Traptredeprofielen
Trapprofielen, ook wel traptredeprofielen genoemd, zijn ontworpen als antislipoplossingen voor traptreden. Deze rubberen profielen zijn specifiek gemaakt om in gefreesde sleuven van materialen zoals hout of steen te worden ingedrukt, waardoor een veilige antislipoppervlakte ontstaat. Ze bieden grip en stabiliteit, wat essentieel is voor veiligheid op trappen.
Wat interessant is, is dat deze profielen kunnen worden vervaardigd van translucent materiaal. Dit maakt ze minder opvallend en visueel storend, terwijl ze toch hun functionaliteit behouden. Aan de andere kant kunnen ze ook worden gemaakt van glow in the dark materiaal, waardoor ze juist meer opvallen en zichtbaar worden in omgevingen met weinig licht. Dit kan bijdragen aan extra veiligheid door traptreden beter zichtbaar te maken in het donker.
Het feit dat deze profielen zowel esthetisch als functioneel aanpasbaar zijn, maakt ze veelzijdig en geschikt voor diverse omgevingen, variërend van woningen tot openbare ruimtes, waar veiligheid en zichtbaarheid op trappen van groot belang zijn.
Enkele kenmerken van SEBS:
- Bevat geen roet, waardoor strepen worden voorkomen
- Bestand tegen hogere thermische belasting
- Uitstekende weerstand tegen water, verdunde zuren en logen
- UV- en ozonbestendig
- Matige bestendigheid tegen veel plantaardige (onverzadigde) vetten; beperkte bestendigheid tegen dierlijke vetten
- Beperkte bestendigheid tegen veel oplosmiddelen, smeerolie, benzine en andere brandstoffen
- Goed bestand tegen alcohol en glycol
- Geschikt voor medische toepassingen, lichaamscontact en speelgoed
Leer meer over het TPE/SEBS-materiaal dat wordt gebruikt voor het maken van traptredeprofielen hier, of ontdek meer over de rubberprofiel-extrusie hier.








