Lokale opslag lijkt te zijn uitgeschakeld in uw browser.
Voor de beste gebruikservaring, moet u lokale opslag inschakelen in uw browser.
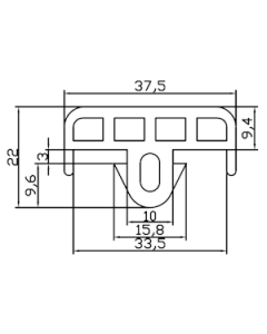
Glaswagenprofielen
Glaswagenprofielen, ook wel bekend als glasprofielen of bokprofielen, zijn specifiek ontworpen rubberen profielen om glasplaten veilig te vervoeren. Of het nu op intern materieel of op bestel- en vrachtwagens is, deze profielen bieden essentiële bescherming om glas zonder schade te transporteren. Ze fungeren als stootranden om schokken te absorberen, zorgen voor een stevige bevestiging van het glas en verhogen de algemene veiligheid. In industrieën waar glas vaak wordt verplaatst, zoals de bouw- en glasindustrie, zijn deze profielen onmisbaar.
Onze glaswagenprofielen profielen kunnen worden geproduceerd in diverse kleuren en hardheden. Standaard bieden we de meest gangbare profielen aan in zwart, met een hardheid van 60 Shore A, wat de basis is voor onze prijzen. Elk product wordt voorzien van uitgebreide informatie, waaronder afmetingen, kleuropties, hardheid en het gewicht per meter.
Enkele kenmerken van SEBS:
- Bevat geen roet, waardoor strepen worden voorkomen
- Bestand tegen hogere thermische belasting
- Uitstekende weerstand tegen water, verdunde zuren en logen
- UV- en ozonbestendig
- Matige bestendigheid tegen veel plantaardige (onverzadigde) vetten; beperkte bestendigheid tegen dierlijke vetten
- Beperkte bestendigheid tegen veel oplosmiddelen, smeerolie, benzine en andere brandstoffen
- Goed bestand tegen alcohol en glycol
- Geschikt voor medische toepassingen, lichaamscontact en speelgoed
Ontdek meer over het TPE/SEBS materiaal hier, of lees verder over de extrusie van profielen hier.
|
|



