Lokale opslag lijkt te zijn uitgeschakeld in uw browser.
Voor de beste gebruikservaring, moet u lokale opslag inschakelen in uw browser.
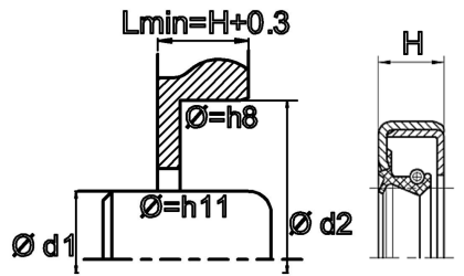
Oliekeerringen type WCS NBR kwaliteit
Oliekeerringen type WCS in NBR rubberkwaliteit 70 Shore A en kleur zwart
Oliekeerring (simmerring) in de standaarduitvoering volgens DIN 3760 met een elastomeerbuitenmantel, een metalen verstevigingsring en een door een veer ondersteunde dichtlip.
De veer is gemaakt van ongelegeerd staal volgens DIN EN 10270-1 en de verstevigingsring van ongelegeerd staal volgens DIN EN 10139.
De toepassing is het afdichten van roterende machineonderdelen, zoals assen en naven. De WA is een enkelwerkende oliekeerring voor draaiende assen. De elastomeerbuitenmantel maakt een goede statische afdichting mogelijk, biedt een goede compensatie voor de uitzetting in bijvoorbeeld lichtmetalen huizen, een betere afdichting bij relatief grote ruwheden en een veilige afdichting bij gedeelde huizen. Een goede statische afdichting bij vloeistoffen of gassen is gewaarborgd.
De oliekeerringen hebben een goede chemische bestendigheid tegen vele minerale oliën en vetten.
De bedrijfsparameters zijn: druk (MPa/bar): ≤ 0,05/0,5, temperatuurbereik (°C): -40 tot +100, omwentelingssnelheid (m/s): ≤12.
Voor de montage dient geschikt hulpgereedschap te worden gebruikt. Het verdient aanbeveling de inbouwruimte zodanig te vormen, dat de oliekeerring in het huis axiaal wordt ondersteund.
NBR is goed bestand tegen:
- Oliën en vetten op basis van minerale olie
- Alifatische koolwaterstoffen
- Plantaardige en dierlijke oliën en vetten
- Hydraulische oliën H, H-L, H-LP
- Drukvloeistoffen HFA, HFB, HFC
- Siliconenoliën en siliconenvetten
- Water (max. 80°C)
NBR is niet bestand tegen:
- Motorbrandstof met een hoog gehalte aan aromaten
- Aromatische koolwaterstoffen
- Gechloreerde koolwaterstoffen
- Polaire oplosmiddelen
- Drukvloeistof HFD
- Remvloeistof op basis van glycol
- Ozon, weersomstandigheden, veroudering
Bedrijfstemperatuur:
- Standaardtypes -30°C tot +100°C (kortstondig120°C)
- Speciale kwaliteiten tot -50°C mogelijk
Referentielijst voor afdichtingen
Omdat leveranciers en producenten van oliekeerringen soms een eigen code gebruiken voor de diverse keerringtypes, hebben wij voor u een referentielijst voor oliekeerringen gemaakt. U kunt dan aan de hand van die lijst de typeaanduiding in uw ring vergelijken met de aanduiding die wij voor de keerring gebruiken.
Keerringen anders dan op onze website vermeld (ander type of andere rubberkwaliteit) kunnen naar uw tekening of model gemaakt worden.
![]() ![]() |
-
-
-
Oliekeerring 25.4x42.86x7.93 mm NBR (Nitril) type WCSD1: 25.4 D2: 42.86 H: 7.93€ 9,20 € 7,60 Vanaf € 2,30
-
-
-
-
-
-
-
Oliekeerring 39.68x60.32x12.7 mm NBR (Nitril) type WCSD1: 39.68 D2: 60.32 H: 12.7€ 9,20 € 7,60 Vanaf € 2,30
-
-
-
-
-
Oliekeerring 44.45x63.5x12.7 mm NBR (Nitril) type WCSD1: 44.45 D2: 63.5 H: 12.7€ 9,20 € 7,60 Vanaf € 2,30
-
Oliekeerring 44.45x66.67x12.7 mm NBR (Nitril) type WCSD1: 44.45 D2: 66.67 H: 12.7€ 9,50 € 7,85 Vanaf € 2,37
-
-
-
-
-
-
-
-
-
Oliekeerring 57.15x76.2x12.7 mm NBR (Nitril) type WCSD1: 57.15 D2: 76.2 H: 12.7€ 10,93 € 9,03 Vanaf € 2,73
-
-
-
Oliekeerring 60.32x88.9x9.52 mm NBR (Nitril) type WCSD1: 60.32 D2: 88.9 H: 9.52€ 11,02 € 9,11 Vanaf € 2,76
-
Oliekeerring 60.32x85.09x11.1 mm NBR (Nitril) type WCSD1: 60.32 D2: 85.09 H: 11.1€ 10,93 € 9,03 Vanaf € 2,73
-
-
Oliekeerring 63.5x85.72x12.7 mm NBR (Nitril) type WCSD1: 63.5 D2: 85.72 H: 12.7€ 10,93 € 9,03 Vanaf € 2,73
-
Oliekeerring 63.5x88.9x12.7 mm NBR (Nitril) type WCSD1: 63.5 D2: 88.9 H: 12.7€ 11,02 € 9,11 Vanaf € 2,76
-
-
-
-
-
Oliekeerring 74.61x101.6x15.8 mm NBR (Nitril) type WCSD1: 74.61 D2: 101.6 H: 15.8€ 13,42 € 11,09 Vanaf € 3,35
-
-
-
-
-
Oliekeerring 76x101.8x12 mm NBR (Nitril) type WCSD1: 76 D2: 101.8 H: 12€ 13,42 € 11,09 Vanaf € 3,35
-
-
-
-
Oliekeerring 82.55x107.95x9.52 mm NBR (Nitril) type WCSD1: 82.55 D2: 107.95 H: 9.52€ 15,20 € 12,56 Vanaf € 3,80
-
Oliekeerring 82.55x114.3x11.5 mm NBR (Nitril) type WCSD1: 82.55 D2: 114.3 H: 11.5€ 15,20 € 12,56 Vanaf € 3,80
-
-
-
-
-
-
-
Oliekeerring 95.25x114.3x11.9 mm NBR (Nitril) type WCSD1: 95.25 D2: 114.3 H: 11.9€ 15,20 € 12,56 Vanaf € 3,80
-
-
-
Oliekeerring 101.6x127x12.7 mm NBR (Nitril) type WCSD1: 101.6 D2: 127 H: 12.7€ 20,09 € 16,60 Vanaf € 5,02
-
Oliekeerring 101.6x136.53x12.7 mm NBR (Nitril) type WCSD1: 101.6 D2: 136.53 H: 12.7€ 25,95 € 21,45 Vanaf € 6,49
-
Oliekeerring 101.6x127.1x12.7 mm NBR (Nitril) type WCSD1: 101.6 D2: 127.1 H: 12.7€ 20,09 € 16,60 Vanaf € 5,02
-
-
Oliekeerring 107.95x133.38x11 mm NBR (Nitril) type WCSD1: 107.95 D2: 133.38 H: 11€ 25,95 € 21,45 Vanaf € 6,49
-
-
-
Oliekeerring 114.3x139.7x12.7 mm NBR (Nitril) type WCSD1: 114.3 D2: 139.7 H: 12.7€ 25,95 € 21,45 Vanaf € 6,49
-
-
-
Oliekeerring 117.47x152.4x12.7 mm NBR (Nitril) type WCSD1: 117.47 D2: 152.4 H: 12.7€ 28,89 € 23,88 Vanaf € 7,22
-
-
-
-
-
-
-
-
-
-
-
Oliekeerring 133.35x165.1x15.8 mm NBR (Nitril) type WCSD1: 133.35 D2: 165.1 H: 15.8€ 37,98 € 31,39 Vanaf € 9,50
-
Oliekeerring 139.7x171.45x15 mm NBR (Nitril) type WCSD1: 139.7 D2: 171.45 H: 15€ 38,93 € 32,17 Vanaf € 9,73
-
Oliekeerring 140x170x15 mm NBR (Nitril) type WCSD1: 140 D2: 170 H: 15€ 44,30 € 36,61 Vanaf € 11,07
-
Oliekeerring 140x160x13 mm NBR (Nitril) type WCSD1: 140 D2: 160 H: 13€ 44,30 € 36,61 Vanaf € 11,07
-
Oliekeerring 140x170x12 mm NBR (Nitril) type WCSD1: 140 D2: 170 H: 12€ 44,30 € 36,61 Vanaf € 11,07
-
Oliekeerring 145x180x15 mm NBR (Nitril) type WCSD1: 145 D2: 180 H: 15€ 46,68 € 38,58 Vanaf € 11,68
-
Oliekeerring 146.05x171.5x14.2 mm NBR (Nitril) type WCSD1: 146.05 D2: 171.5 H: 14.2€ 46,68 € 38,58 Vanaf € 11,68
-
Oliekeerring 146.05x168.28x15.8 mm NBR (Nitril) type WCSD1: 146.05 D2: 168.28 H: 15.8€ 46,68 € 38,58 Vanaf € 11,68
-
Oliekeerring 148x170x14.5 mm NBR (Nitril) type WCSD1: 148 D2: 170 H: 14.5€ 37,98 € 31,39 Vanaf € 9,50
-
Oliekeerring 150x180x13 mm NBR (Nitril) type WCSD1: 150 D2: 180 H: 13€ 40,03 € 33,08 Vanaf € 10,01
-
Oliekeerring 150x180x15 mm NBR (Nitril) type WCSD1: 150 D2: 180 H: 15€ 46,68 € 38,58 Vanaf € 11,68
-
-
Oliekeerring 160x190x15 mm NBR (Nitril) type WCSD1: 160 D2: 190 H: 15€ 49,85 € 41,20 Vanaf € 12,46
-
Oliekeerring 160x180x15 mm NBR (Nitril) type WCSD1: 160 D2: 180 H: 15€ 40,03 € 33,08 Vanaf € 10,01
-
Oliekeerring 165x190x13 mm NBR (Nitril) type WCSD1: 165 D2: 190 H: 13€ 42,73 € 35,31 Vanaf € 10,68
-
Oliekeerring 170x200x13 mm NBR (Nitril) type WCSD1: 170 D2: 200 H: 13€ 58,33 € 48,21 Vanaf € 14,58
-
Oliekeerring 170x200x15 mm NBR (Nitril) type WCSD1: 170 D2: 200 H: 15€ 58,33 € 48,21 Vanaf € 14,58
-
Oliekeerring 180x215x15 mm NBR (Nitril) type WCSD1: 180 D2: 215 H: 15€ 58,33 € 48,21 Vanaf € 14,58
-
Oliekeerring 180x220x15 mm NBR (Nitril) type WCSD1: 180 D2: 220 H: 15€ 88,16 € 72,86 Vanaf € 22,05
-
Oliekeerring 190x230x15 mm NBR (Nitril) type WCSD1: 190 D2: 230 H: 15€ 88,16 € 72,86 Vanaf € 22,05
-
Oliekeerring 190x220x12 mm NBR (Nitril) type WCSD1: 190 D2: 220 H: 12€ 72,81 € 60,17 Vanaf € 18,20
-
Oliekeerring 200x230x15 mm NBR (Nitril) type WCSD1: 200 D2: 230 H: 15€ 72,81 € 60,17 Vanaf € 18,20
-
Oliekeerring 200x230x18 mm NBR (Nitril) type WCSD1: 200 D2: 230 H: 18€ 88,16 € 72,86 Vanaf € 22,05

