Lokale opslag lijkt te zijn uitgeschakeld in uw browser.
Voor de beste gebruikservaring, moet u lokale opslag inschakelen in uw browser.
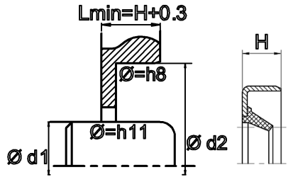
Oliekeerringen type WBO NBR kwaliteit
Oliekeerringen type WBO in NBR rubberkwaliteit 70 Shore in de kleur zwart
Oliekeerring (simmerring) in de standaarduitvoering met een metalen buitenmantel zonder veer aan de dichtlip. De verstevigingsring is gemaakt van ongelegeerd staal volgens DIN EN 10139.
De WBO is een enkelwerkende oliekeerring voor roterende assen. Door het dichtlipontwerp zonder veer ontstaat minder wrijving. Hierdoor is de dichtfunctie in vergelijking met de oliekeerringen met veer gereduceerd. De elastomeerbuitenmantel maakt een goede statische afdichting mogelijk en biedt een goede compensatie voor de uitzetting in bijvoorbeeld lichtmetalen huizen. Bovendien waarborgt deze een betere afdichting bij relatief grote ruwheden, een veilige afdichting bij gedeelde huizen en een goede statische afdichting bij vloeistoffen of gassen.
De toepassing is een secundaire afdichting, bijvoorbeeld afdichting tegen stof, vuil of spatwater bij elektromotoren en als afdichting tegen vet. De WAOK is een enkelwerkende oliekeerring voor roterende assen. Door het dichtlipontwerp zonder veer ontstaat minder wrijving. Hierdoor is de dichtfunctie in vergelijking met de oliekeerringen met veer gereduceerd.
De oliekeerring heeft een goede chemische bestendigheid tegen diverse minerale oliën en vetten. De bedrijfsparameters zijn druk (MPa/bar): 0/0, temperatuurbereik (°C): -40 tot +100, omwentelingssnelheid (m/s): ≤6.
Voor de montage dient geschikt hulpgereedschap te worden gebruikt. Het verdient aanbeveling de inbouwruimte zodanig te vormen, dat de oliekeerring in het huis axiaal wordt ondersteund.
NBR is goed bestand tegen:
- Oliën en vetten op basis van minerale olie
- Alifatische koolwaterstoffen
- Plantaardige en dierlijke oliën en vetten
- Hydraulische oliën H, H-L, H-LP
- Drukvloeistoffen HFA, HFB, HFC
- Siliconenoliën en siliconenvetten
- Water (max. 80°C)
NBR is niet bestand tegen:
- Motorbrandstof met een hoog gehalte aan aromaten
- Aromatische koolwaterstoffen
- Gechloreerde koolwaterstoffen
- Polaire oplosmiddelen
- Drukvloeistof HFD
- Remvloeistof op basis van glycol
- Ozon, weersomstandigheden, veroudering
Bedrijfstemperatuur:
- Standaardtypes -30°C tot +100°C (kortstondig120°C)
- Speciale kwaliteiten tot -50°C mogelijk
Referentielijst voor afdichtingen
Omdat leveranciers en producenten van oliekeerringen soms een eigen code gebruiken voor de diverse keerringtypes, hebben wij voor u een referentielijst voor oliekeerringen gemaakt. U kunt dan aan de hand van die lijst de typeaanduiding in uw ring vergelijken met de aanduiding die wij voor de keerring gebruiken.
Keerringen anders dan op onze website vermeld (ander type of andere rubberkwaliteit) kunnen naar uw tekening of model gemaakt worden.
![]() ![]() |
-
-
-
-
-
-
-
-
-
-
-
-
-
-
-
-
Oliekeerring 12.7x22.22x3.17 mm NBR (Nitril) type WBOD1: 12.7 D2: 22.22 H: 3.17€ 2,47 € 2,04 Vanaf € 0,62
-
-
Oliekeerring 14.28x20.64x4 mm NBR (Nitril) type WBOD1: 14.28 D2: 20.64 H: 4€ 2,47 € 2,04 Vanaf € 0,62
-
-
-
-
-
-
-
-
-
Oliekeerring 19.05x31.75x3.17 mm NBR (Nitril) type WBOD1: 19.05 D2: 31.75 H: 3.17€ 3,13 € 2,59 Vanaf € 0,79
-
-
-
Oliekeerring 22.22x28.57x3.17 mm NBR (Nitril) type WBOD1: 22.22 D2: 28.57 H: 3.17€ 2,64 € 2,18 Vanaf € 0,67
-
-
-
-
-
-
-
-
Oliekeerring 28.57x35.1x4 mm NBR (Nitril) type WBOD1: 28.57 D2: 35.1 H: 4€ 3,13 € 2,59 Vanaf € 0,79
-
-
-
-
-
Oliekeerring 31.75x38.1x3.96 mm NBR (Nitril) type WBOD1: 31.75 D2: 38.1 H: 3.96€ 3,62 € 2,99 Vanaf € 0,91
-
-
-
-
-
-
-
-
-
-
-
-
-
Oliekeerring 53.97x73.02x6.35 mm NBR (Nitril) type WBOD1: 53.97 D2: 73.02 H: 6.35€ 7,36 € 6,08 Vanaf € 1,84
-
Oliekeerring 53.97x93x6.35 mm NBR (Nitril) type WBOD1: 53.97 D2: 93 H: 6.35€ 7,36 € 6,08 Vanaf € 1,84
-
-
-
-
-
-

