Lokale opslag lijkt te zijn uitgeschakeld in uw browser.
Voor de beste gebruikservaring, moet u lokale opslag inschakelen in uw browser.
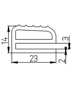
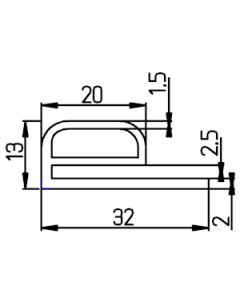
Koelkast- en Koelcelafdichtingen
Een rubber koelkastprofiel, ook wel ‘e-profiel’ genoemd, is een specifiek type rubberen afdichtingsprofiel voor het afdichten van koelkasten en koelceldeuren. Enkele kenmerken van dit profiel:
- Toepassing: Deze rubberen profielen zijn speciaal ontworpen en vervaardigd voor gebruik op bepaalde typen koelkasten en grote koelceldeuren.
- Afdichting: De primaire functie van een rubber koelkastprofiel is een effectieve afdichting wanneer de deur van de koelkast of koelcel wordt gesloten. Dit draagt bij aan het reguleren van de temperatuur binnen in de koelkast of koelcel en voorkomt warmteoverdracht van buitenaf.
- Zonder Magneetstrip: In tegenstelling tot afdichtingsprofielen die een magneetstrip hebben voor extra hechting en afdichting, worden rubber koelkastprofielen zonder magneetstrip geleverd. Dit betekent dat er voornamelijk wordt vertrouwd op de compressie van het rubber om een luchtdichte en waterdichte afdichting te creëren.
Al met al zijn rubber koelkastprofielen of e-profielen essentiële componenten die ervoor zorgen dat koelkasten en koelcellen efficiënt functioneren door de juiste temperatuur te behouden en energie te besparen. Ze zijn ontworpen voor specifieke toepassingen en worden geleverd zonder magneetstrip om aan de behoeften van verschillende koelkast- en koelcelmodellen te voldoen.
Ontdek meer over het materiaal (TPE/SEBS) voor deze koelkast- en koelcelafdichtingsprofielen door hier te klikken, of klik voor meer informatie over de extrusie van profielen hier.
![]() |






