Lokale opslag lijkt te zijn uitgeschakeld in uw browser.
Voor de beste gebruikservaring, moet u lokale opslag inschakelen in uw browser.
Oliekeerringen type WAS NBR kwaliteit
Oliekeerringen type WAS in NBR rubberkwaliteit 70 Shore A in de kleur zwart
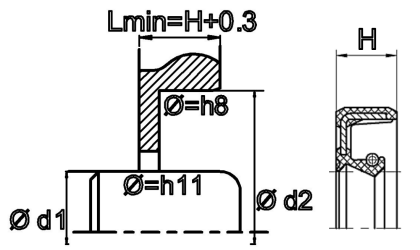
Oliekeerring (simmerring) in de standaarduitvoering volgens DIN 3760 met een elastomeerbuitenmantel, een metalen verstevigingsring en een door een veer ondersteunde dichtlip. De veer is gemaakt van ongelegeerd staal volgens DIN EN 10270-1 en de verstevigingsring van ongelegeerd staal volgens DIN EN 10139.
De toepassing is het afdichten van roterende machineonderdelen, zoals assen en naven. De WAS is een enkelwerkende oliekeerring voor draaiende assen met een stoflip tegen vuil van buiten. De elastomeerbuitenmantel maakt een goede statische afdichting mogelijk, biedt een goede compensatie voor de uitzetting in bijvoorbeeld lichtmetalen huizen, een betere afdichting bij relatief grote ruwheden en een veilige afdichting bij gedeelde huizen. Een goede statische afdichting bij vloeistoffen of gassen is gewaarborgd.
De oliekeerringen hebben een goede chemische bestendigheid tegen vele minerale oliën en vetten.
De bedrijfsparameters zijn: druk (MPa/bar): ≤ 0,05/0,5, temperatuurbereik (°C): -40 tot +100, omwentelingssnelheid (m/s): ≤12
Voor de montage dient geschikt hulpgereedschap te worden gebruikt. Het verdient aanbeveling de inbouwruimte zodanig te vormen, dat de oliekeerring in het huis axiaal wordt ondersteund.
NBR is goed bestand tegen:
- Oliën en vetten op basis van minerale olie
- Alifatische koolwaterstoffen
- Plantaardige en dierlijke oliën en vetten
- Hydraulische oliën H, H-L, H-LP
- Drukvloeistoffen HFA, HFB, HFC
- Siliconenoliën en siliconenvetten
- Water (max. 80°C)
NBR is niet bestand tegen:
- Motorbrandstof met een hoog gehalte aan aromaten
- Aromatische koolwaterstoffen
- Gechloreerde koolwaterstoffen
- Polaire oplosmiddelen
- Drukvloeistof HFD
- Remvloeistof op basis van glycol
- Ozon, weersomstandigheden, veroudering
Bedrijfstemperatuur:
- Standaardtypes -30°C tot +100°C (kortstondig120°C)
- Speciale kwaliteiten tot -50°C mogelijk
Referentielijst voor afdichtingen
Omdat leveranciers en producenten van oliekeerringen soms een eigen code gebruiken voor de diverse keerringtypes, hebben wij voor u een referentielijst voor oliekeerringen gemaakt. U kunt dan aan de hand van die lijst de typeaanduiding in uw ring vergelijken met de aanduiding die wij voor de keerring gebruiken.
Asafdichtingen anders dan op onze website vermeld (ander type of andere rubberkwaliteit) kunnen naar uw tekening of model gemaakt worden.
![]() ![]() |

