Lokale opslag lijkt te zijn uitgeschakeld in uw browser.
Voor de beste gebruikservaring, moet u lokale opslag inschakelen in uw browser.

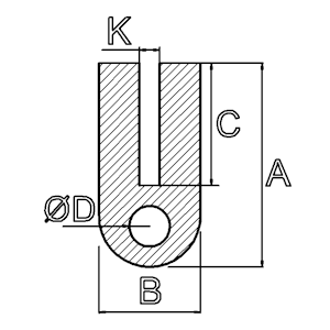
Siliconen-U-profielen met ronde luchtkamer

Hieronder worden siliconen-U-profielen met luchtkamer aangeboden in translucent, technisch materiaal. De hardheid van elk profiel wordt bij het artikel vermeld. Alle op deze pagina aangeboden siliconen profielen worden geproduceerd volgens ISO 3302-1 E2, overige normen zijn in overleg eveneens mogelijk.

De minimumafname van siliconen-U-profielen (kantprofielen, afdichtingsprofielen en stootranden) is 25 meter.

Naast de siliconen-U-profielen met ronde luchtkamer op onze website, leveren wij op aanvraag tevens andere siliconenmaterialen, bijvoorbeeld voor medische toepassingen of gebruik in de voedingsindustrie. Op aanvraag kunnen ook siliconenprofielen worden geproduceerd die bestand zijn tegen temperaturen boven de 250°C en in vele, heldere kleuren. Wij extruderen ook profielen naar uw tekening of model, die desgewenst machinaal op korte of lange lengtes gesneden worden.

Temperatuurbereik van siliconen rubber -60°C tot +200°C:
- droge lucht +180°C
- heet water +100°C

Algemene bestendigheid tegen:
- minerale oliën en vetten: matig
- dierlijke en plantaardige oliën en vetten: matig
- verdunde zuren: uitstekend
- geconcentreerde zuren: matig
- oplosmiddelen
alifaten, benzine, etc.: gering
aromaten; tolueen, benzeen: gering
esters, ethers, alcohol: matig
gechloreerd; tetra, tri, etc.: gering
- waterabsorptie: uitstekend
- zonlicht en ozon: uitstekend

Bijzondere eigenschappen:
- temperatuurbestendig
- koude- en ozonbestendig
- reuk- en smaakloos

Siliconen-U-profielen, stootranden en kantprofielen worden per order geproduceerd, er is geen voorraad aanwezig en er zijn ook geen monsters beschikbaar. Eenmaal geproduceerde rubber profielen kunnen niet worden geruild of geretourneerd.

siliconen u-profiel met luchtkamersiliconen u-profiel met luchtkamer

Filters

Maateenheid: millimeters

 

Ø D
Vanaf tot en met
C
Vanaf tot en met
K
Vanaf tot en met
B
Vanaf tot en met
A
Vanaf tot en met
per pagina
Van hoog naar laag sorteren
  1. Silicone U-profiel plaat 1.5 mm HxB: 4.5x2.5 mm
    A: 4.5 B: 2.5 C: 2 K: 1.5 Ø D: 1.2
    € 28,44 € 23,50 Vanaf € 2,84
  2. Silicone U-profiel plaat 2 mm HxB: 21x10 mm
    A: 21 B: 10 C: 11 K: 2 Ø D: 7.5
    € 33,26 € 27,49 Vanaf € 6,66
  3. Silicone U-profiel plaat 2 mm HxB: 17x7.5 mm
    A: 17 B: 7.5 C: 9.5 K: 2 Ø D: 3.5
    € 31,38 € 25,93 Vanaf € 6,28
  4. Silicone U-profiel plaat 2 mm HxB: 17x7.5 mm
    A: 17 B: 7.5 C: 9.5 K: 2 Ø D: 3.5
    € 31,38 € 25,93 Vanaf € 6,28
  5. Silicone U-profiel plaat 2.5 mm HxB: 14.5x10 mm
    A: 14.5 B: 10 C: 9.5 K: 2.5 Ø D: 2
    € 31,93 € 26,39 Vanaf € 6,39
  6. Silicone U-profiel plaat 2.6 mm HxB: 15x4.6 mm
    A: 15 B: 4.6 C: 10 K: 2.6 Ø D: 2
    € 29,22 € 24,15 Vanaf € 2,93
  7. Silicone U-profiel plaat 3 mm HxB: 16x8 mm
    A: 16 B: 8 C: 7.5 K: 3 Ø D: 2
    € 31,51 € 26,04 Vanaf € 6,30
  8. Silicone U-profiel plaat 3.5 mm HxB: 17x7.5 mm
    A: 17 B: 7.5 C: 9.5 K: 3.5 Ø D: 4
    € 30,67 € 25,35 Vanaf € 4,60
  9. Silicone U-profiel plaat 8 mm HxB: 30x24 mm
    A: 30 B: 24 C: 15 K: 8 Ø D: 5.5
    € 58,47 € 48,32 Vanaf € 23,39
  10. Silicone U-profiel plaat 15 mm HxB: 45x27 mm
    A: 45 B: 27 C: 32 K: 15 Ø D: 4
    € 70,59 € 58,34 Vanaf € 31,76