Lokale opslag lijkt te zijn uitgeschakeld in uw browser.
Voor de beste gebruikservaring, moet u lokale opslag inschakelen in uw browser.

In verband met de kerstvakantie is Technirub gesloten van 22-12-2025 t/m 04-01-2026.

Dit betekent dat alle bestellingen die na 21 december worden geplaatst, pas in de week van 5 januari door ons in behandeling worden genomen.

Hieronder worden siliconen-T-profielen (ook wel afdichtingsprofielen en afwerkingsprofielen genoemd) aangeboden in translucent, technisch materiaal. De hardheid van elk profiel wordt bij het artikel vermeld. Alle op deze pagina aangeboden siliconen profielen worden geproduceerd volgens ISO 3302-1 E2, overige normen zijn in overleg eveneens mogelijk.

De minimumafname van siliconen-T-profielen en overige siliconenrubber profielen en afdichtingen is 25 meter.

Naast het rubber profiel op onze website, leveren wij op aanvraag tevens andere siliconenmaterialen, bijvoorbeeld voor medische toepassingen of gebruik in de voedingsindustrie. Op aanvraag kunnen ook siliconenprofielen worden geproduceerd die bestand zijn tegen temperaturen boven de 250°C en in vele, heldere kleuren. Wij extruderen ook profielen naar uw tekening of model, die desgewenst machinaal op korte of lange lengtes gesneden worden.

Temperatuurbereik van siliconen rubber -60°C tot +200°C:
- droge lucht +180°C
- heet water +100°C

Algemene bestendigheid tegen:
- minerale oliën en vetten: matig
- dierlijke en plantaardige oliën en vetten: matig
- verdunde zuren: uitstekend
- geconcentreerde zuren: matig
- oplosmiddelen
alifaten, benzine, etc.: gering
aromaten; tolueen, benzeen: gering
esters, ethers, alcohol: matig
gechloreerd; tetra, tri, etc.: gering
- waterabsorptie: uitstekend
- zonlicht en ozon: uitstekend

Bijzondere eigenschappen:
- temperatuurbestendig
- koude- en ozonbestendig
- reuk- en smaakloos

Siliconen-T-profielen (afwerkingsprofiel, afdichtingsprofiel) worden per order geproduceerd, er is geen voorraad aanwezig en er zijn ook geen monsters beschikbaar. Eenmaal geproduceerde rubber profielen kunnen niet worden geruild of geretourneerd.

siliconen t profiel siliconenrubber t profielen

Filters

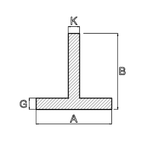
Maateenheid: millimeters

 

K
Vanaf tot en met
B
Vanaf tot en met
A
Vanaf tot en met
G
Vanaf tot en met
per pagina
  1. Silicone rubber T-profiel BxH: 3/1.5x3 mm
    A: 3 B: 3 G: 1.5 K: 1.5
    € 42,58 € 35,19 Vanaf € 12,81
  2. Silicone rubber T-profiel BxH: 3/2x5.5 mm
    A: 3 B: 5.5 G: 2 K: 2
    € 36,48 € 30,15 Vanaf € 11,47
  3. Silicone rubber T-profiel BxH: 3.8/1.8x8 mm
    A: 3.8 B: 8 G: 2.7 K: 1.8
    € 33,32 € 27,54 Vanaf € 11,40
  4. Silicone rubber T-profiel BxH: 4/2.6x4.5 mm
    A: 4 B: 4.5 G: 2 K: 2.6
    € 39,71 € 32,82 Vanaf € 12,60
  5. Silicone rubber T-profiel BxH: 4/2.5x4.5 mm
    A: 4 B: 4.5 G: 2 K: 2.5
    € 39,17 € 32,37 Vanaf € 12,38
  6. Silicone rubber T-profiel BxH: 4/2.5x7 mm
    A: 4 B: 7 G: 4 K: 2.5
    € 37,86 € 31,29 Vanaf € 13,14
  7. Silicone rubber T-profiel BxH: 4/2x6 mm
    A: 4 B: 6 G: 3 K: 2
    € 31,04 € 25,65 Vanaf € 10,56
  8. Silicone rubber T-profiel BxH: 4.1/1.7x4.6 mm
    A: 4.1 B: 4.6 G: 2 K: 1.7
    € 34,16 € 28,23 Vanaf € 10,71
  9. Silicone rubber T-profiel BxH: 4.2/2.1x8.4 mm
    A: 4.2 B: 8.4 G: 2.6 K: 2.1
    € 37,43 € 30,93 Vanaf € 12,92
  10. Silicone rubber T-profiel BxH: 4.3/2.8x4.7 mm
    A: 4.3 B: 4.7 G: 2 K: 2.8
    € 43,27 € 35,76 Vanaf € 13,76
  11. Silicone rubber T-profiel BxH: 4.5/3.5x6 mm
    A: 4.5 B: 6 G: 2 K: 3.5
    € 37,24 € 30,78 Vanaf € 12,85
  12. Silicone rubber T-profiel BxH: 4.5/2.6x4.5 mm
    A: 4.5 B: 4.5 G: 2 K: 2.6
    € 41,85 € 34,59 Vanaf € 13,29
  13. Silicone rubber T-profiel BxH: 5/1.7x5 mm
    A: 5 B: 5 G: 2.1 K: 1.7
    € 41,75 € 34,50 Vanaf € 13,21
  14. Silicone rubber T-profiel BxH: 5/1.5x5 mm
    A: 5 B: 5 G: 2 K: 1.5
    € 39,71 € 32,82 Vanaf € 12,60
  15. Silicone rubber T-profiel BxH: 5/2x5 mm
    A: 5 B: 5 G: 2 K: 2
    € 42,94 € 35,49 Vanaf € 13,65
  16. Silicone rubber T-profiel BxH: 5/2x8.2 mm
    A: 5 B: 8.2 G: 2.5 K: 2
    € 34,16 € 28,23 Vanaf € 12,41
  17. Silicone rubber T-profiel BxH: 5/2x7 mm
    A: 5 B: 7 G: 3 K: 2
    € 37,24 € 30,78 Vanaf € 12,85
  18. Silicone rubber T-profiel BxH: 5/2.2x9 mm
    A: 5 B: 9 G: 3 K: 2.2
    € 33,76 € 27,90 Vanaf € 12,27
  19. Silicone rubber T-profiel BxH: 5/2x8.5 mm
    A: 5 B: 8.5 G: 2.5 K: 2
    € 34,81 € 28,77 Vanaf € 12,71
  20. Silicone rubber T-profiel BxH: 5/2x9 mm
    A: 5 B: 9 G: 3 K: 2
    € 32,71 € 27,03 Vanaf € 11,80
  21. Silicone rubber T-profiel BxH: 5/2x10 mm
    A: 5 B: 10 G: 4 K: 2
    € 37,13 € 30,69 Vanaf € 13,61
  22. Silicone rubber T-profiel BxH: 5/2x11 mm
    A: 5 B: 11 G: 5 K: 2
    € 37,82 € 31,26 Vanaf € 13,87
  23. Silicone rubber T-profiel BxH: 5.2/3.5x8 mm
    A: 5.2 B: 8 G: 4 K: 3.5
    € 39,60 € 32,73 Vanaf € 14,63
  24. Silicone rubber T-profiel BxH: 5.5/3x6 mm
    A: 5.5 B: 6 G: 3 K: 3
    € 20,40 € 16,86 Vanaf € 15,29
  25. Silicone rubber T-profiel BxH: 6/2.5x6 mm
    A: 6 B: 6 G: 2.5 K: 2.5
    € 34,05 € 28,14 Vanaf € 12,34
  26. Silicone rubber T-profiel BxH: 6/3x8 mm
    A: 6 B: 8 G: 4 K: 3
    € 40,73 € 33,66 Vanaf € 15,06
  27. Silicone rubber T-profiel BxH: 6/4x6 mm
    A: 6 B: 6 G: 3 K: 4
    € 35,36 € 29,22 Vanaf € 12,92
  28. Silicone rubber T-profiel BxH: 6/2.2x6.5 mm
    A: 6 B: 6.5 G: 2.6 K: 2.2
    € 34,49 € 28,50 Vanaf € 12,60
  29. Silicone rubber T-profiel BxH: 6/2.2x6.5 mm
    A: 6 B: 6.5 G: 2.5 K: 2.2
    € 34,09 € 28,17 Vanaf € 12,38
  30. Silicone rubber T-profiel BxH: 6/2.2x6 mm
    A: 6 B: 6 G: 2 K: 2.2
    € 34,52 € 28,53 Vanaf € 11,91
  31. Silicone rubber T-profiel BxH: 6/3.7x5 mm
    A: 6 B: 5 G: 2 K: 3.7
    € 37,43 € 30,93 Vanaf € 12,92
  32. Silicone rubber T-profiel BxH: 6/2x7 mm
    A: 6 B: 7 G: 3 K: 2
    € 31,84 € 26,31 Vanaf € 11,47
  33. Silicone rubber T-profiel BxH: 6/3x10 mm
    A: 6 B: 10 G: 4.1 K: 3
    € 35,21 € 29,10 Vanaf € 14,56
  34. Silicone rubber T-profiel BxH: 6.4/3.5x6 mm
    A: 6.4 B: 6 G: 2.6 K: 3.5
    € 34,05 € 28,14 Vanaf € 12,38
  35. Silicone rubber T-profiel BxH: 6.7/3.6x9.1 mm
    A: 6.7 B: 9.1 G: 4.4 K: 3.6
    € 37,79 € 31,23 Vanaf € 15,79
  36. Silicone rubber T-profiel BxH: 7/4x5 mm
    A: 7 B: 5 G: 1 K: 4
    € 37,24 € 30,78 Vanaf € 12,85
  37. Silicone rubber T-profiel BxH: 7.5/4x5.5 mm
    A: 7.5 B: 5.5 G: 2 K: 4
    € 34,49 € 28,50 Vanaf € 12,60
  38. Silicone rubber T-profiel BxH: 7.5/4x4 mm
    A: 7.5 B: 4 G: 2 K: 4
    € 37,24 € 30,78 Vanaf € 12,85
  39. Silicone rubber T-profiel BxH: 8/4.5x8 mm
    A: 8 B: 8 G: 4 K: 4.5
    € 12,49 € 10,32 Vanaf € 5,08
  40. Silicone rubber T-profiel BxH: 8/3.8x10.8 mm
    A: 8 B: 10.8 G: 1.5 K: 3.8
    € 38,41 € 31,74 Vanaf € 16,04
  41. Silicone rubber T-profiel BxH: 8.5/3.5x6 mm
    A: 8.5 B: 6 G: 2.5 K: 3.5
    € 38,48 € 31,80 Vanaf € 14,12
  42. Silicone rubber T-profiel BxH: 9.6/3.6x10.7 mm
    A: 9.6 B: 10.7 G: 3 K: 3.6
    € 34,27 € 28,32 Vanaf € 12,81
  43. Silicone rubber T-profiel BxH: 9.6/5x44 mm
    A: 9.6 B: 44 G: 8.5 K: 5
    € 78,23 € 64,65 Vanaf € 51,91
  44. Silicone rubber T-profiel BxH: 10/6x17 mm
    A: 10 B: 17 G: 3 K: 6
    € 36,91 € 30,50 Vanaf € 27,67
  45. Silicone rubber T-profiel BxH: 10/2x7 mm
    A: 10 B: 7 G: 2 K: 2
    € 35,36 € 29,22 Vanaf € 12,92
  46. Silicone rubber T-profiel BxH: 10/6x10 mm
    A: 10 B: 10 G: 5 K: 6
    € 38,84 € 32,10 Vanaf € 17,21
  47. Silicone rubber T-profiel BxH: 10/3.5x6 mm
    A: 10 B: 6 G: 3 K: 3.5
    € 40,62 € 33,57 Vanaf € 14,99
  48. Silicone rubber T-profiel BxH: 10/4.5x7 mm
    A: 10 B: 7 G: 2 K: 4.5
    € 35,36 € 29,22 Vanaf € 14,67
  49. Silicone rubber T-profiel BxH: 10/4x8 mm
    A: 10 B: 8 G: 4 K: 4
    € 33,98 € 28,08 Vanaf € 12,74
  50. Silicone rubber T-profiel BxH: 10/2x19 mm
    A: 10 B: 19 G: 2 K: 2
    € 33,11 € 27,36 Vanaf € 12,34
  51. Silicone rubber T-profiel BxH: 10/3.5x6 mm
    A: 10 B: 6 G: 3 K: 3.5
    € 40,62 € 33,57 Vanaf € 14,99
  52. Silicone rubber T-profiel BxH: 10/4x15 mm
    A: 10 B: 15 G: 6.5 K: 4
    € 45,99 € 38,01 Vanaf € 20,80
  53. Silicone rubber T-profiel BxH: 10/4x6 mm
    A: 10 B: 6 G: 2 K: 4
    € 37,06 € 30,63 Vanaf € 13,50
  54. Silicone rubber T-profiel BxH: 11/4.5x7 mm
    A: 11 B: 7 G: 2 K: 4.5
    € 36,59 € 30,24 Vanaf € 15,21
  55. Silicone rubber T-profiel BxH: 11/4.5x9 mm
    A: 11 B: 9 G: 4 K: 4.5
    € 38,73 € 32,01 Vanaf € 14,70
  56. Silicone rubber T-profiel BxH: 11.5/3.8x7.8 mm
    A: 11.5 B: 7.8 G: 2.8 K: 3.8
    € 38,15 € 31,53 Vanaf € 15,54
  57. Silicone rubber T-profiel BxH: 12/4.6x7 mm
    A: 12 B: 7 G: 3 K: 4.6
    € 33,29 € 27,51 Vanaf € 12,41
  58. Silicone rubber T-profiel BxH: 12/4.5x7.5 mm
    A: 12 B: 7.5 G: 2.5 K: 4.5
    € 38,88 € 32,13 Vanaf € 15,90
  59. Silicone rubber T-profiel BxH: 12/4.4x8 mm
    A: 12 B: 8 G: 4 K: 4.4
    € 38,33 € 31,68 Vanaf € 14,52
  60. Silicone rubber T-profiel BxH: 12/4x6 mm
    A: 12 B: 6 G: 2 K: 4
    € 40,22 € 33,24 Vanaf € 14,77
  61. Silicone rubber T-profiel BxH: 12/3x8 mm
    A: 12 B: 8 G: 5 K: 3
    € 39,86 € 32,94 Vanaf € 15,17
  62. Silicone rubber T-profiel BxH: 12/4x8 mm
    A: 12 B: 8 G: 4 K: 4
    € 37,57 € 31,05 Vanaf € 14,19
  63. Silicone rubber T-profiel BxH: 12/4.7x7.5 mm
    A: 12 B: 7.5 G: 2.5 K: 4.7
    € 32,85 € 27,15 Vanaf € 12,27
  64. Silicone rubber T-profiel BxH: 12/4.5x8 mm
    A: 12 B: 8 G: 4 K: 4.5
    € 38,48 € 31,80 Vanaf € 14,63
  65. Silicone rubber T-profiel BxH: 12/4.1x8 mm
    A: 12 B: 8 G: 4 K: 4.1
    € 37,79 € 31,23 Vanaf € 14,30
  66. Silicone rubber T-profiel BxH: 12/3.5x9.5 mm
    A: 12 B: 9.5 G: 4 K: 3.5
    € 39,06 € 32,28 Vanaf € 14,81
  67. Silicone rubber T-profiel BxH: 12/4.2x9.5 mm
    A: 12 B: 9.5 G: 4 K: 4.2
    € 40,80 € 33,72 Vanaf € 15,54
  68. Silicone rubber T-profiel BxH: 12/3x10 mm
    A: 12 B: 10 G: 6 K: 3
    € 40,37 € 33,36 Vanaf € 17,93
  69. Silicone rubber T-profiel BxH: 12/3.4x15 mm
    A: 12 B: 15 G: 4 K: 3.4
    € 40,87 € 33,78 Vanaf € 18,22
  70. Silicone rubber T-profiel BxH: 12/4.5x8 mm
    A: 12 B: 8 G: 3.5 K: 4.5
    € 36,81 € 30,42 Vanaf € 13,87
  71. Silicone rubber T-profiel BxH: 12.5/4.5x7 mm
    A: 12.5 B: 7 G: 2 K: 4.5
    € 38,48 € 31,80 Vanaf € 16,08
  72. Silicone rubber T-profiel BxH: 12.7/3.3x10.2 mm
    A: 12.7 B: 10.2 G: 6 K: 3.3
    € 51,24 € 42,35 Vanaf € 39,33
  73. Silicone rubber T-profiel BxH: 13/4.5x7.5 mm
    A: 13 B: 7.5 G: 2.5 K: 4.5
    € 33,50 € 27,69 Vanaf € 12,52
  74. Silicone rubber T-profiel BxH: 13/7.5x7.5 mm
    A: 13 B: 7.5 G: 2.5 K: 7.5
    € 40,29 € 33,30 Vanaf € 15,35
  75. Silicone rubber T-profiel BxH: 13/4.5x7 mm
    A: 13 B: 7 G: 2 K: 4.5
    € 39,10 € 32,31 Vanaf € 16,41
  76. Silicone rubber T-profiel BxH: 13/7.5x7 mm
    A: 13 B: 7 G: 2 K: 7.5
    € 37,39 € 30,90 Vanaf € 14,12
  77. Silicone rubber T-profiel BxH: 13/4.5x7 mm
    A: 13 B: 7 G: 4.5 K: 4.5
    € 40,18 € 33,21 Vanaf € 15,32
  78. Silicone rubber T-profiel BxH: 13/4x8 mm
    A: 13 B: 8 G: 4 K: 4
    € 39,42 € 32,58 Vanaf € 14,99
  79. Silicone rubber T-profiel BxH: 13/8x10 mm
    A: 13 B: 10 G: 3 K: 8
    € 44,50 € 36,78 Vanaf € 20,07
  80. Silicone rubber T-profiel BxH: 13/7.7x8 mm
    A: 13 B: 8 G: 3.5 K: 7.7
    € 38,91 € 32,16 Vanaf € 17,24
  81. Silicone rubber T-profiel BxH: 13.5/5.3x10.2 mm
    A: 13.5 B: 10.2 G: 4.2 K: 5.3
    € 42,07 € 34,77 Vanaf € 18,84
  82. Silicone rubber T-profiel BxH: 13.5/4.8x7 mm
    A: 13.5 B: 7 G: 2.5 K: 4.8
    € 33,72 € 27,87 Vanaf € 12,63
  83. Silicone rubber T-profiel BxH: 13.5/5.3x10.2 mm
    A: 13.5 B: 10.2 G: 5.2 K: 5.3
    € 45,16 € 37,32 Vanaf € 20,33
  84. Silicone rubber T-profiel BxH: 14/4x9 mm
    A: 14 B: 9 G: 6 K: 4
    € 44,90 € 37,11 Vanaf € 20,22
  85. Silicone rubber T-profiel BxH: 14/3.8x8.5 mm
    A: 14 B: 8.5 G: 4 K: 3.8
    € 41,75 € 34,50 Vanaf € 15,90
  86. Silicone rubber T-profiel BxH: 14/5x7.5 mm
    A: 14 B: 7.5 G: 2.5 K: 5
    € 35,79 € 29,58 Vanaf € 13,47
  87. Silicone rubber T-profiel BxH: 14.5/5.6x8.7 mm
    A: 14.5 B: 8.7 G: 4.2 K: 5.6
    € 41,16 € 34,02 Vanaf € 18,37
  88. Silicone rubber T-profiel BxH: 15/5x10 mm
    A: 15 B: 10 G: 5 K: 5
    € 46,36 € 38,31 Vanaf € 20,95
  89. Silicone rubber T-profiel BxH: 15/4x8 mm
    A: 15 B: 8 G: 4 K: 4
    € 37,39 € 30,90 Vanaf € 16,48
  90. Silicone rubber T-profiel BxH: 15/8x10 mm
    A: 15 B: 10 G: 5 K: 8
    € 52,02 € 42,99 Vanaf € 23,81
  91. Silicone rubber T-profiel BxH: 15/3x8 mm
    A: 15 B: 8 G: 4 K: 3
    € 41,20 € 34,05 Vanaf € 15,75
  92. Silicone rubber T-profiel BxH: 15/4x8 mm
    A: 15 B: 8 G: 4 K: 4
    € 37,39 € 30,90 Vanaf € 16,48
  93. Silicone rubber T-profiel BxH: 15/3.5x9.5 mm
    A: 15 B: 9.5 G: 7 K: 3.5
    € 51,55 € 42,60 Vanaf € 23,56
  94. Silicone rubber T-profiel BxH: 15/3.5x9.5 mm
    A: 15 B: 9.5 G: 4 K: 3.5
    € 38,59 € 31,89 Vanaf € 17,10
  95. Silicone rubber T-profiel BxH: 15/4.2x9.5 mm
    A: 15 B: 9.5 G: 4 K: 4.2
    € 40,04 € 33,09 Vanaf € 17,79
  96. Silicone rubber T-profiel BxH: 15/11.8x3 mm
    A: 15 B: 3 G: 1.5 K: 11.8
    € 40,37 € 33,36 Vanaf € 14,85
  97. Silicone rubber T-profiel BxH: 15/4x10 mm
    A: 15 B: 10 G: 4 K: 4
    € 40,37 € 33,36 Vanaf € 17,93
  98. Silicone rubber T-profiel BxH: 15/4x9 mm
    A: 15 B: 9 G: 4 K: 4
    € 38,84 € 32,10 Vanaf € 17,21
  99. Silicone rubber T-profiel BxH: 15/10x12 mm
    A: 15 B: 12 G: 5 K: 10
    € 63,31 € 52,32 Vanaf € 29,40
  100. Silicone rubber T-profiel BxH: 15/10x10 mm
    A: 15 B: 10 G: 5 K: 10
    € 32,86 € 27,16 Vanaf € 7,10
Pagina