Lokale opslag lijkt te zijn uitgeschakeld in uw browser.
Voor de beste gebruikservaring, moet u lokale opslag inschakelen in uw browser.

In verband met de kerstvakantie is Technirub gesloten van 22-12-2025 t/m 04-01-2026.

Dit betekent dat alle bestellingen die na 21 december worden geplaatst, pas in de week van 5 januari door ons in behandeling worden genomen.

Opblaasbare siliconenpakkingen

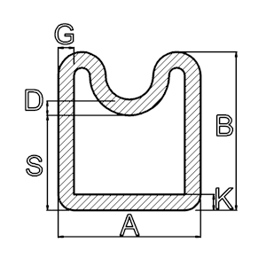
Hieronder worden opblaasbare siliconenprofielen aangeboden in translucent, technisch materiaal. De hardheid van elk profiel wordt bij het artikel vermeld. Alle op deze pagina aangeboden siliconen profielen worden geproduceerd volgens ISO 3302-1 E2, overige normen zijn in overleg eveneens mogelijk.

Opblaasbare siliconenprofielen en -pakkingen zijn profielen die door (lucht)druk van vorm veranderen, om bijvoorbeeld een afsluiting te creëren of iets vast te klemmen. Door de druk op te voeren zet het profiel uit. Wordt de druk verminderd, dan neemt het profiel zijn oorspronkelijke vorm weer aan.

De minimumafname van opblaasbare siliconenprofielen en overige siliconenrubber profielen en afdichtingen is 25 meter.

Naast de opblaasbare profielen op onze website, leveren wij op aanvraag tevens andere siliconenmaterialen, bijvoorbeeld voor medische toepassingen of gebruik in de voedingsindustrie. Op aanvraag kunnen ook siliconenprofielen worden geproduceerd die bestand zijn tegen temperaturen boven de 250°C en in vele, heldere kleuren. Wij extruderen ook profielen naar uw tekening of model, die desgewenst machinaal op korte of lange lengtes gesneden worden.

Temperatuurbereik van siliconen rubber -60°C tot +200°C:
- droge lucht +180°C
- heet water +100°C

Algemene bestendigheid tegen:
- minerale oliën en vetten: matig
- dierlijke en plantaardige oliën en vetten: matig
- verdunde zuren: uitstekend
- geconcentreerde zuren: matig
- oplosmiddelen
alifaten, benzine, etc.: gering
aromaten; tolueen, benzeen: gering
esters, ethers, alcohol: matig
gechloreerd; tetra, tri, etc.: gering
- waterabsorptie: uitstekend
- zonlicht en ozon: uitstekend

Bijzondere eigenschappen:
- temperatuurbestendig
- koude- en ozonbestendig
- reuk- en smaakloos

Opblaasbare siliconenrubber profielen worden per order geproduceerd, er is geen voorraad aanwezig en er zijn ook geen monsters beschikbaar. Eenmaal geproduceerde rubber profielen kunnen niet worden geruild of geretourneerd.

siliconen opblaasbare profielen siliconen rubber opblaasbare profielen

Filters

Maateenheid: millimeters

 

K
Vanaf tot en met
D
Vanaf tot en met
B
Vanaf tot en met
A
Vanaf tot en met
G
Vanaf tot en met
per pagina
  1. Silicone opblaasbare dichting 10x10 mm
    A: 10 B: 10
    € 16,40 € 13,55
  2. Silicone opblaasbare dichting 16x17 mm
    A: 16 B: 17
    € 20,21 € 16,70
  3. Silicone opblaasbare dichting 16x14 mm
    A: 16 B: 14
    € 21,19 € 17,51
  4. Silicone opblaasbare dichting 17x14 mm
    A: 17 B: 14
    € 23,68 € 19,57
  5. Silicone opblaasbare dichting 18x15.5 mm
    A: 18 B: 15.5
    € 18,73 € 15,48
  6. Silicone opblaasbare dichting 18x15.5 mm
    A: 18 B: 15.5
    € 18,73 € 15,48
  7. Silicone opblaasbare dichting 18.5x17 mm
    A: 18.5 B: 17
    € 19,81 € 16,37
  8. Silicone opblaasbare dichting 22x16 mm
    A: 22 B: 16
    € 28,66 € 23,69
  9. Silicone opblaasbare dichting 24x20 mm
    A: 24 B: 20
    € 29,08 € 24,03
  10. Silicone opblaasbare dichting 25.3x20 mm
    A: 25.3 B: 20
    € 31,81 € 26,29
  11. Silicone opblaasbare dichting 26x20 mm
    A: 26 B: 20
    € 35,10 € 29,01
  12. Silicone opblaasbare dichting 26x20 mm
    A: 26 B: 20
    € 35,10 € 29,01
  13. Silicone opblaasbare dichting 26.5x20 mm
    A: 26.5 B: 20
    € 35,51 € 29,35
  14. Silicone opblaasbare dichting 27x20 mm
    A: 27 B: 20
    € 44,77 € 37,00
  15. Silicone opblaasbare dichting 35x34 mm
    A: 35 B: 34
    € 53,60 € 44,30
  16. Silicone opblaasbare dichting 35x32 mm
    A: 35 B: 32
    € 59,21 € 48,93
  17. Silicone opblaasbare dichting 46x34 mm
    A: 46 B: 34
    € 62,54 € 51,69