Lokale opslag lijkt te zijn uitgeschakeld in uw browser.
Voor de beste gebruikservaring, moet u lokale opslag inschakelen in uw browser.

In verband met de kerstvakantie is Technirub gesloten van 22-12-2025 t/m 04-01-2026.

Dit betekent dat alle bestellingen die na 21 december worden geplaatst, pas in de week van 5 januari door ons in behandeling worden genomen.

Hieronder worden siliconen open doos profielen aangeboden in translucent, technisch materiaal. De hardheid van elk profiel wordt bij het artikel vermeld. Alle op deze pagina aangeboden siliconen profielen worden geproduceerd volgens ISO 3302-1 E2, overige normen zijn in overleg eveneens mogelijk.

De door ons geleverde translucente siliconen snoeren en slangen, translucente vierkante en rechthoekige siliconenpakkingen en sponsrubber silicone profielen rond en vierkant/rechthoekig hebben een minimumlengte van 5 meter, de minimumafname van overige siliconen profielen is 25 meter.

Naast het siliconen open doos profiel dat wij op onze website aanbieden, leveren wij op aanvraag tevens andere siliconenmaterialen, bijvoorbeeld voor medische toepassingen of gebruik in de voedingsindustrie. Op aanvraag kunnen ook siliconenprofielen worden geproduceerd die bestand zijn tegen temperaturen boven de 250°C en in vele, heldere kleuren. Wij extruderen ook profielen naar uw tekening of model, die desgewenst machinaal op korte of lange lengtes gesneden worden.

Temperatuurbereik van siliconen rubber -60°C tot +200°C:
- droge lucht +180°C
- heet water +100°C

Algemene bestendigheid tegen:
- minerale oliën en vetten: matig
- dierlijke en plantaardige oliën en vetten: matig
- verdunde zuren: uitstekend
- geconcentreerde zuren: matig
- oplosmiddelen
alifaten, benzine, etc.: gering
aromaten; tolueen, benzeen: gering
esters, ethers, alcohol: matig
gechloreerd; tetra, tri, etc.: gering
- waterabsorptie: uitstekend
- zonlicht en ozon: uitstekend

Bijzondere eigenschappen:
- temperatuurbestendig
- koude- en ozonbestendig
- reuk- en smaakloos


Siliconen profielen worden per order geproduceerd, er is geen voorraad aanwezig en er zijn ook geen monsters beschikbaar. Eenmaal geproduceerde rubber profielen kunnen niet worden geruild of geretourneerd.

siliconen pakking doosprofielsiliconen doosprofiel

Filters

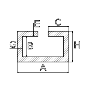
Maateenheid: millimeters

 

E
Vanaf tot en met
C
Vanaf tot en met
B
Vanaf tot en met
A
Vanaf tot en met
H
Vanaf tot en met
G
Vanaf tot en met
per pagina
  1. Silicone open doos profiel BxH: 14x4 mm
    A: 14 G: 1.5 H: 4
    € 14,65 € 12,11
  2. Silicone open doos profiel BxH: 14.6x3.6 mm
    A: 14.6 G: 0.8 H: 3.6
    € 12,50 € 10,33
  3. Silicone open doos profiel BxH: 16x5.1 mm
    A: 16 G: 1.8 H: 5.1
    € 13,19 € 10,90
  4. Silicone open doos profiel BxH: 16.6x5.1 mm
    A: 16.6 G: 1.8 H: 5.1
    € 13,54 € 11,19
  5. Silicone open doos profiel BxH: 17x4.5 mm
    A: 17 G: 1.5 H: 4.5
    € 11,97 € 9,89
  6. Silicone open doos profiel BxH: 19x9.6 mm
    A: 19 G: 2.7 H: 9.6
    € 22,24 € 18,38
  7. Silicone open doos profiel BxH: 19.6x6.4 mm
    A: 19.6 G: 2.7 H: 6.4
    € 16,77 € 13,86
  8. Silicone open doos profiel BxH: 20x4.5 mm
    A: 20 G: 1.5 H: 4.5
    € 13,43 € 11,10
  9. Silicone open doos profiel BxH: 23x4 mm
    A: 23 G: 1.5 H: 4
    € 14,65 € 12,11
  10. Silicone open doos profiel BxH: 23x4.5 mm
    A: 23 G: 1.5 H: 4.5
    € 14,90 € 12,31
  11. Silicone open doos profiel BxH: 23.5x7.2 mm
    A: 23.5 G: 1.5 H: 7.2
    € 13,26 € 10,96
  12. Silicone open doos profiel BxH: 29x14 mm
    A: 29 G: 2 H: 14
    € 22,34 € 18,46
  13. Silicone open doos profiel BxH: 30x6.5 mm
    A: 30 G: 2 H: 6.5
    € 19,12 € 15,80
  14. Silicone open doos profiel BxH: 30x18.5 mm
    A: 30 G: 5 H: 18.5
    € 36,19 € 29,91
  15. Silicone open doos profiel BxH: 34.6x4.3 mm
    A: 34.6 G: 1.5 H: 4.3
    € 16,32 € 13,49
  16. Silicone open doos profiel BxH: 38.6x4.3 mm
    A: 38.6 G: 3.5 H: 4.3
    € 18,48 € 15,27
  17. Silicone open doos profiel BxH: 60x10 mm
    A: 60 G: 4 H: 10
    € 45,79 € 37,84
  18. Silicone open doos profiel BxH: 64x19 mm
    A: 64 G: 7 H: 19
    € 58,46 € 48,31
  19. Silicone open doos profiel BxH: 95.2x19 mm
    A: 95.2 G: 7.5 H: 19
    € 88,06 € 72,78