Lokale opslag lijkt te zijn uitgeschakeld in uw browser.
Voor de beste gebruikservaring, moet u lokale opslag inschakelen in uw browser.
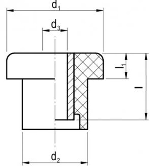
Alle Kraagbussen
Kraagbussen, ook bekend als intrekmoeren of blindklinkmoeren, en T-block dempers, ook bekend als center bonded mounts, zijn veelzijdige bevestigingsmiddelen die speciaal zijn ontworpen om trillingen, schokken en geluiden te isoleren. Beide types kraagbussen hebben hun eigen unieke ontwerp en toepassingen, maar dienen hetzelfde doel. Of u nu kiest voor een blindklinkmoer die zonder toegang tot de achterkant van het materiaal kan worden gemonteerd, of een T-block kraagbus die eenvoudig met één schroef en moer kan worden geïnstalleerd, beide bieden betrouwbare, trillingsdempende en duurzame verbindingen voor diverse toepassingen.
Neem gerust contact met ons op voor specifieke maatwerkopties of meer informatie over welke oplossing het beste bij uw specifieke toepassing past.



