Lokale opslag lijkt te zijn uitgeschakeld in uw browser.
Voor de beste gebruikservaring, moet u lokale opslag inschakelen in uw browser.
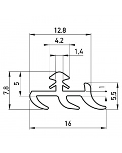
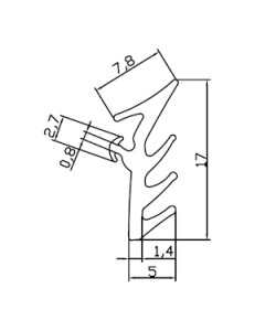
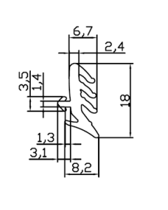
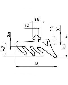
Rubber kozijn- en deurafdichting
Deze afdichtingsprofielen voor de bouwindustrie worden van een soepele kwaliteit rubber gemaakt die niet afgeeft. De rubberprofielen kunnen in allerlei kleuren maar ook in translucente uitvoering worden gemaakt, bijvoorbeeld voor douches of toepassingen waarin de deur of het raam volledig van glas zijn.
De afgebeelde aanslagrubbers zijn zeer geschikt voor afdichtingen in aluminiumsponningen van deuren en ramen. Eventueel kunnen volrubberprofielen in de kleur van de sponning worden gemaakt.
Rubberafdichtingen voor deuren en kozijnen worden van SEBS gemaakt. SEBS-rubber is een soepele en zachte kwaliteit die zich gemakkelijk laat vormen en verwerken. SEBS is niet ingemengd met roet en geeft daardoor op den duur niet af.
De volrubberprofielen kunnen in allerlei kleuren en hardheden worden gemaakt. Op onze website worden de meest gangbare volrubber kozijn- en deurafdichtingen aangeboden in de kleur zwart en hardheid 60 Shore A. Hierop zijn onze prijzen gebaseerd. Bij elk artikel staan gegevens zoals maat, kleur, hardheid en gewicht per meter vermeld.
Daar wij rubber afdichtingsprofielen zelf produceren, kunnen wij ze naar uw tekening of model maken. De minimumafname van deze profielen is 10 meter.
Alle onderstaande rubberafdichtingen worden per order geproduceerd. Wij kunnen daarom geen monsters sturen of profielen terugnemen.
SEBS algemene informatie:
- bevat geen roet (en kan dus geen zwarte strepen veroorzaken)
- hogere thermische belasting
- zeer goed bestand tegen zowel water als verdunde zuren en logen
- uv- en ozonbestendig
- matig bestand tegen veel plantaardige (onverzadigde) vetten, zeer slecht bestand tegen dierlijke vetten
- slecht bestand tegen veel oplosmiddelen, smeerolie, benzine en andere brandstoffen
- goed bestand tegen alcohol en glycol
- geschikt voor medische toepassingen, contact met lichaam en speelgoed
Neem bij vragen of twijfels gerust contact op met een van onze experts! Wij adviseren u graag.
![]() |





