Lokale opslag lijkt te zijn uitgeschakeld in uw browser.
Voor de beste gebruikservaring, moet u lokale opslag inschakelen in uw browser.
Ontdek onze veelzijdige oplossingen voor trillingsdemping en bevestiging
|
Wat zijn Rubberen Kraagbussen? Rubberen kraagbussen, ook bekend als rubber well nuts of blindklinkmoeren, zijn bevestigingsmiddelen die zijn ontworpen voor het isoleren van trillingen, schokken en geluiden zonder dat er toegang tot de achterkant van het materiaal nodig is. Deze kraagbussen zijn voorzien van een metalen bus met interne schroefdraad, waardoor ze hogere belastingen kunnen weerstaan zonder te slijten of los te raken. Bij het aandraaien van een bout zet de kraagbus zichzelf vast door uit te zetten, wat resulteert in een stevige en elastische sluiting die bestand is tegen hoge trillingen. |
![]() |
Bestel direct dempers met metalen bus zonder draad
Onze Producten
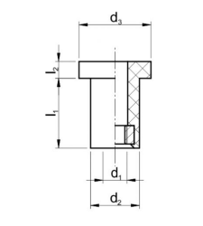
1. Rubberen Kraagbussen met Metalen Bus zonder Draad
Ideaal voor toepassingen waar eenvoudige montage en effectieve trillingsdemping nodig zijn. Deze kraagbussen zijn geschikt voor compressoren, pompen, ventilatoren, industriële wasmachines, elektromotoren, schakelkasten en meer. Ze worden geleverd met een metalen insert van ST 37 of RVS A2/A4 en zijn beschikbaar in verschillende rubbersoorten en hardheden op aanvraag.
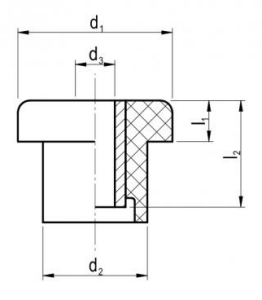
2. Rubberen Kraagbussen met Metalen Bus met Draad
Speciaal ontworpen voor het veilig en stevig bevestigen van dunne platen, zoals metalen, houten platen of elektronische printplaten. Door het aandraaien van een bout zet de kraagbus zichzelf vast in het gat, waardoor een stevige en betrouwbare bevestiging ontstaat. Deze kraagbussen zijn ook verkrijgbaar met een metalen insert van ST 37 of RVS A2/A4 en kunnen worden aangepast aan verschillende rubbersoorten en hardheden.
Toepassingen
Rubberen kraagbussen worden veel gebruikt voor:
- Bevestiging van dunne platen in de industrie
- Trillingsdemping in automotive en industriële toepassingen
- Bevestiging van elektronische componenten en printplaten
Maatwerkopties
Onze kraagbussen zijn gemaakt van hoogwaardig natuurrubber (NR) en zijn leverbaar in hardheden van 43, 55 of 72 Shore A. De metalen bus is verkrijgbaar in ST37 staal en RVS A2/A4. Voor specifieke behoeften of meer informatie kunt u altijd contact met ons opnemen.
Begin vandaag nog met het verbeteren van de prestaties en duurzaamheid van uw apparatuur met onze hoogwaardige rubberen well nuts. Wij staan klaar om u te adviseren en te ondersteunen bij het maken van de juiste keuze voor uw toepassing!
Neem contact op voor een offerte op maat
Kijk voor andere technische rubberartikelen, zoals cilindrische rubberdempers, rubberen matten, plaatrubber en vele andere rubberartikelen in onze webshop.
