Lokale opslag lijkt te zijn uitgeschakeld in uw browser.
Voor de beste gebruikservaring, moet u lokale opslag inschakelen in uw browser.
Wij zijn leverancier van trillingsisolatoren en voor alle marktsectoren. Met ons uitgebreide standaardassortiment en al onze productiemogelijkheden kunnen wij op zeer korte termijn diverse antivibratieproducten leveren.
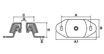
Rubberen motorsteunen
(trillingsdempers M12, GM-mountings, conusdempers, machine mounts)
Motorsteunen zijn zeer geschikt voor het dempen van trillingen en geluid en worden daarom vaak gebruikt in zowel mobiele als statische opstellingen.
De motorsteunen worden vaak gebruikt voor pompen, compressoren en generatoren in industriële toepassingen, voor auto's en vrachtwagens maar ook vaartuigen. Deze trillingsisolatoren zijn eenvoudig te monteren en bieden een hoge trillingsisolatie.
Hieronder vindt u de maten van de meest gangbare rubberdempers onder de motorsteunen. Deze worden gemaakt in 40, 55 en 72 Shore A en het metalen deel is gemaakt van gegalvaniseerd staal 37.
|
|
|||||||
| A | A1 | B | C | E | F | G | H |
| 182 | 230 | 112 | 80 | 25x18 | 18x33 | M20 | 73 |
| 140 | 183 | 75 | 75 | 20x13 | 20x13 | M16 | 50 |
| 100 | 120 | 60 | 60 | 11x14 | 11x14 | M10 | 40 |
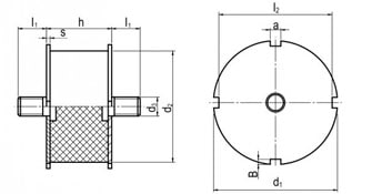
Trillingsdempers met uitsparingen
(sandwichlager)
Trillingsdempers met uitsparingen worden voornamelijk gebruikt op plaatsen waar dempers blootstaan aan hevige torsie. Door het plaatsen van een spie in de uitsparing voorkomt men dat de trillingsdemper meedraait gedurende de werking of de montage op moeilijk bereikbare plekken. Dit type trillingsdemper is vergelijkbaar met een sandwichlager.
Deze rubber trillingsdempers worden geleverd in de hardheden 40, 55 en 72 Shore A. Standaard wordt staal 37 gebruikt, maar de dempers kunnen ook in RVS A2 en A4 worden geleverd.
|
|
||||||||||
| d1 | d2 | h | d3 | l 1 | l 2 | t | s | a | B | |
| 105 | 94 | 40 | M16 | 41 | 95,5 | 16 | 3 | 9 | 4,5 | |
| 105 | 94 | 55 | M16 | 41 | 95,5 | 16 | 3 | 9 | 4,5 | |
Prijs voor rubberen motorsteunen opvragen
Prijs voor trillingsdempers met uitsparingen opvragen
Bekijk overige trillingsisolatoren in de webshop



